SL-ASQ500 SL-ASQ500
SL-SQGRIP-Purple-IMG_8985 SL-SQGRIP-Purple-IMG_8985
iconSL-ASQGRIP iconSL-ASQGRIP

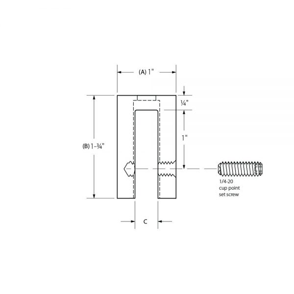
Square Extrusion Panel Gripper

The SL-SQGRIP is designed to hold panels 1/4”, 3/8” and 1/2” with our HD-S105 1/4”-20 through-hole stud. A 3/8” diameter hole is required in panels for the stud and  HD-PT2  plastic tubingGrippers have a have a 1” square base and mount to square slotted extrusion with a Structurelite Custom Nut extrusion nut and 3/8” HD-LHD7 Low head screw. Grippers can also be mounted directly to most surfaces with various mounting hardware.
Note: HD-PT2, SL-CN1 and HD-LHD7 sold separately.
Nylon tip set screw available to grip materials with no through-hole.

SEE VIDEO BELOW

Login or register now to see pricing or place an order.

Clear
SKU: N/A. Categories: , .

Included Hardware

* Select Product Variation Above

Recommended Applications

* Select Product Variation Above